A shift register is needed whenever we want to expand microcontroller
outputs. The SN74HC164 is a parallel out serial shift register. This IC
is very simple to use.
 |
| SN74HC164 Pin Assignments |
 |
| SN74HC164 DIP-14 |
Controller typically need only two pins - serial clock and serial data to interface to this chip.
 |
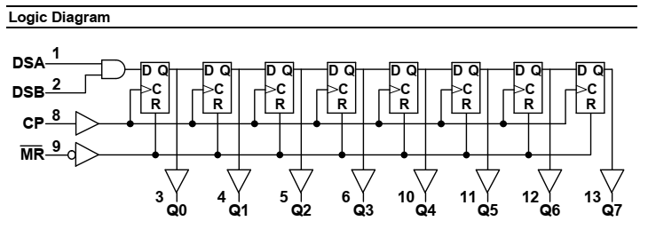
| Logic Diagram |
Serial Data Input A (DSA) and Serial Data Input B (DSB) must be wired together. Otherwise we can make one input high.
 |
| Timing Diagram |
To interface to this chip controller should have an SPI module. Otherwise the programmer must write an SPI software routine using bit banging.
In this example, I use software bit banging to send serial data to SN74HC164 chip. It needs only two pins - data and clock.
 |
| Schematic |
I wrote this example in C using Microchip Studio.
/*
* SN74HC164LEDBitBang.c
*
* Created: 7/7/2023 7:18:00 PM
* Author : Admin
*/
#include <avr/io.h>
#define SDAT 7
#define SCLK 6
void send74hc164(unsigned char data){
for(int i=0; i<8;i++){
if ((data&(1<<7))==0)
{
PORTC&=~(1<<SDAT);
}
else PORTC|=(1<<SDAT);
PORTC|=(1<<SCLK);
for(int i=0;i<=50;i++);
PORTC&=~(1<<SCLK);
for(int i=0;i<=50;i++);
data<<=1;
}
}
int main(void)
{
unsigned char newData = 0, oldData = 0;
DDRC|=(1<<SDAT)|(1<<SCLK);
DDRB=0x00;
PORTB=0xFF;
while (1)
{
newData = PINB;
if (newData!=oldData)
{
send74hc164(newData);
oldData = newData;
}
}
}
Click here to download zip file.
 |
Simulating Program In Proteus
|